一般來說接地裝置的電氣完整性是指接地裝置中應該接地各種電氣設備之間,接地裝置的各部分及與各設備之間的電氣連接性,即直流電阻值,也稱為電氣導通性。電力設備的接地引下線與地網的可靠、有效連接是設備安全運行的根本保障。
接地引下線是電力設備與地網的連接部分,在電力設備的長時間運行過程中,連接處有可能因受潮等因素影響,出現節點銹蝕、甚至斷裂等現象,導致接地引下線與主接地網連接點電阻增大,從而不能滿足電力規程的要求,使設備在運行中存在不安全隱患,嚴重時會造成設備失地運行。接地裝置的地下接地極及其連接部分也可能出現銹蝕、甚至斷裂現象。
因此,定期對接地裝置進行電氣完整性測試是很有必要的。而接地引下線導通測試儀就是專門用于接地裝置的電氣完整性測試的。本文簡單闡述接地引下線導通測試儀工作原理及操作方法
接地引下線導通測試儀工作原理為:

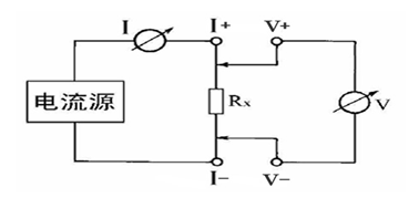
由電流源經“I+、I-兩端口(也稱I型口),供給被測電阻Rx電流,電流的大小有電流表I讀出,Rx兩端的電壓降“V+、V-”兩端口(也稱V型口)取出,由電壓表V讀出。通過對I、V的測量,就可以算出被測電阻的阻值。
由上圖可看出,儀器采用的是四端子法測量,因此可消除導線電阻和接觸電阻帶來的誤差。
其一般操作方法為:

先找出與地網聯接合格的引下線作為基準點。
使用儀器自配的測量線一端插入儀器接線座,帶有測試鉗的一端夾到基準點和被測點。 為了使測出數據的正確性,請盡量處理好被測點的接觸面的干凈。
接線檢查確認無誤后,接入220V交流電,合上電源開關,儀器進入開機狀態。按“測量”鍵后即開始測試,屏幕中間的顯示區顯示測量的電阻值即為導通電阻值,單位為mΩ。
測試結果是否正常請參考下表:
|
導通電阻值 |
150mΩ |
500mΩ |
1Ω |
|
狀態 |
良好 |
異常 |
嚴重異常 |
彈起“測量” 鍵,設備測試結束,關掉電源,將測試線夾收好,放入附件包內。
每個廠家出廠的接地引下線導通測試儀工作原理及使用方法都大同小異,在實際操作過程中需要熟讀產品說明書,嚴格規范的進行操作。
湖北儀天成電力設備有限公司技術部
2017年9月22日
咨詢熱線:4000-777-650
官方網址:www.shzhucegongsi.cn
我們期待您的來電!